Banner

 イコライザ回路で少々問題があります。


光カートリッジに使われているフォトダイオード(PD)は電流素子です。
電圧素子ではありません。
この負荷に周波数特性を持つものをぶら下げると、周波数により出力が変動します。
そしてそのぶら下がった周波数特性を持つものでさらに出力レベルが周波数によって上下します。
ハマホトのPDの解説にある等価回路は以下のように電流源となっています。


等価抵抗は、直列、並列ともに無視できる値です。
従って、Rshに流れるI'はほぼ0、IDは、逆方向飽和電流ISから得られる値なので少量です。
簡易的にPDは電流源として扱って良いようです。
そこで負荷をCRイコライザ回路として電圧源、電流源を発生源とした回路でシミュレーションを行ってみました。
結果は、以下となりました。


このCR回路では電流源の方が電圧源より高域で2dBほど低く出ることが分かります。
この回路は、光カートリッジの一般的なイコライザ回路です。
これはCRイコライザですが、オペアンプを使ってNFイコライザにした場合の実際の出力を測ってみました。



レコードはスポット周波数のワーブルトーンです。
本来はスピーカーの測定用ですが、プリアンプ出力をミリボルトメーターで読んでいます。
ワーブルトーンなので針がパラパラと振れて正確な値は読めませんでしたが、それなりに読んで記録しました。
いわば目視の平均処理を行った結果ですが、それでも特性はバタバタしています。
エクセルの近似曲線(対数近似)を点線で入れました。
3個の測定結果は見やすいようにずらしています、周波数変化が問題で絶対値は問題ないからです。
上が、通常のMCカートリッジ(オルトフォンのMC10)+MC用イコライザアンプ
次が、測定範囲内ではほぼ抵抗受けで、一番下が、PDの負荷にイコライザのCR回路が入る形です。
一番下の赤の測定値は、よく見ると、上のグラフのイコライザ特性の逆特性っぽく見えます。
高域になるにつれ、負荷が重くなってレベルが落ち、最後はフラットで3dBほど落ちています。
中央の線はフラットで、MCの特性よりも立派な特性です。
この特性の回路でも入力部分にコンデンサが入りますが、測定周波数では影響が無い値にしています。
DCなりそれに近い超低周波ではCがない状態になり発生電圧は大きくなりますが、その測定はできませんでした。
かなりおおざっぱですが、電流源に対応した回路にすると周波数特性は大変良くなることがわかります。

私の場合は、1ページのようにトランジスタのバッファアンプを入れています。
コンデンサは必要最小限ですが、それなりに大きい値の物を入れています。
光カートリッジのイコライザアンプは信号源が電流源であることを考えて作らないとならないようです。

さらに調べていましたら、コンデンサカートリッジのイコライザ回路が見つかりました。 こちらのサイトです。
これはオーレックス(東芝)のコンデンサカートリッジ用のイコライザ回路の様です。
その記述に「出力インピーダンスも低いようで、カートリッジ出力をイコライザー回路に直結しても問題ないよう」とあります。
コンデンサカートリッジの場合、何らかの回路がありそれが出力されるためインピーダンスは低くなるようです(つまり電圧源)。
STAXのコンデンサカートリッジの場合検波回路がありカソードフォロアーで出力されるため、インピーダンスは1kΩ前後です。
少し高めですが、特性には影響ありません。
STAXの場合、放電目的でしょうか、初めのコンデンサの出力側に100kΩ前後の抵抗でGNDに落としています。
コンデンサを2倍の0.047μFにして100kが入っても特性が変わらないようにしています。

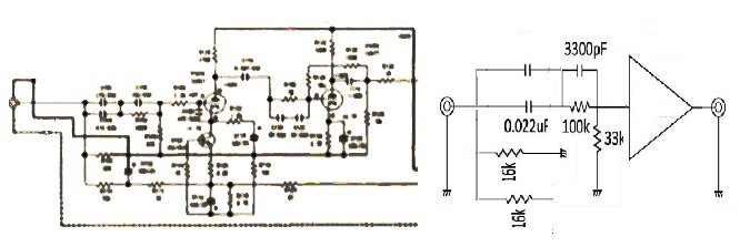
市販のイコライザの内部写真を見ますと、電流源対応ではないように見えるものがあります。
電圧源に対応したイコライザ回路と同じものを電流源である光カートリッジに直結した回路として採用されているようです。
本家の技術情報をそのまま鵜呑みにして回路を作っているようです。

但し、抵抗値が右の回路図の抵抗値の20倍あれば大丈夫だと思います。
左の回路図は不鮮明で定数まではわかりませんでした。
他社の物で、入力部分にCRの50Hzロールオフ回路があるものが2社ありました。
抵抗値は1社が1MΩ、別の社が100kΩ、後者は少し影響があると思います。
本家の技術情報はイコライザの働きの説明用だと理解しています、そうでなければ理屈に合いません。
簡単な方法で実測をしてみた結果からすると、残念なイコライザもあるようです。

以上です。

  前のページへ戻る ホームへ戻る カートリッジ開始ページへ戻る 次のページへ