Banner

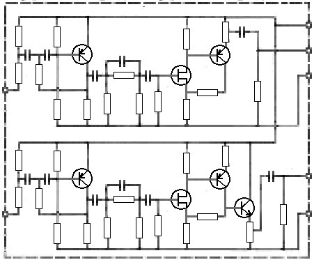
 東芝の光電子式カートリッジ、SZ-1 の回路図が見つかりました。

小さい回路図でしたが拡大して見やすく修正を加えました。


トランジスタの向きは想像です。
左がカートリッジ側、右が出力です。
一段目はHPF(−12dBのアクティブフィルター)でサブソニックフィルターと思われます。
2段目との間にイコライザ回路があります。
2段目は2段直結回路のアンプです。
エミッタ―側をボリュームを介して出力しています。
反対チャンネルは、コレクタ側をエミッタ―フォロワーを介して出力しています。
東芝のカートリッジはフォトダイオードではなく、フォトトランジスタですが、電流出力を意識した回路のようです。
この回路は、簡易的なディスクリート回路として少しアレンジすれば現代でも使えそうです。

カートリッジの構造は以下です。


光の通路をきちんと確保して無理のない作りになっています。
DSオーディオの第一世代はこの構造をまねたもののようです。
光源がLEDとなり薄くなったので反射鏡無しで直接光を遮光板に当てるようにしてあります。


ステレオサウンドオンラインより拝借しました。
第二世代、第三世代の構造は、前のほうのページにありますが、ステレオサウンドオンラインにわかりやすい図がありましたので、拝借します。


この先改良をするとすれば、MCカートリッジで行われている方法でしょう。


前に膨らまないようにする工夫が必要ですが、これが一番音が良くなるはずです。

以上です。

  前のページへ戻る ホームへ戻る カートリッジ開始ページへ戻る 次のページへ